Pomiń, aby przejść do informacji o produkcie
1 z 9

DEFRO

DEFRO Intra SM T 10 kW

DEFRO Intra SM T 10 kW

Cena regularna 10.370,00 zl PLN
Cena regularna Cena sprzedaży 10.370,00 zl PLN
Sprzedaż Wyprzedane
Z wliczonym podatkiem.
Kolor
Klamka
Podwójna szyba

Realizacja zamówienia: 2-3 tygodni

Koszt wysyłki: Wysyłka gratis!

 

prima_pikto_1.jpg

Seria DEFRO HOME INTRA T została stworzona z myślą o harmonii pomiędzy ekologią, designem i ekonomią. Wkłady kominkowe z serii DEFRO HOME INTRA T doskonale sprawdzą się podczas palenia rekreacyjnego i z powodzeniem ogrzeją cały dom. Nowoczesna konstrukcja i szczelne palenisko pozwala aby się cieszyć jego możliwościami w domach pasywnych oraz z rekuperacją.

Autorskie rozwiązania gwarantują oszczędność energii i bezawaryjną obsługę urządzenia.

Seria występuje w trzech odsłonach, w zależności od wielkości paleniska: SM, ME, LA.

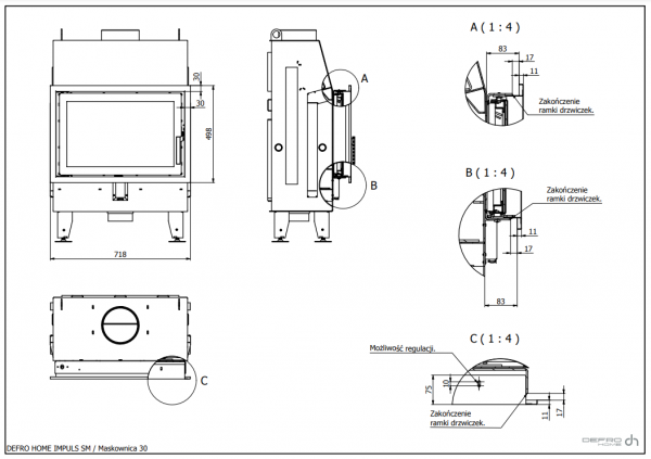
Moc nominalna: 10 kW
Średnica czopucha: 200 mm
Sprawność: 80,1 %
Emisja CO przy 13% O2: 0,07%
Temperatura spalin: 267°C
Ciąg kominowy: 12+2 Pa
Powierzchnia grzewcza: 45-145 m2
Maksymalna długość polan: 500 mm
Średnica dolotu powietrza: 125 mm
Waga: ~230 kg

Pokaż kompletne dane

Kominek powietrzny

Zabudowany powietrzny wkład kominkowy pozwala ogrzać powietrze, które następnie dzięki grawitacji lub specjalnym systemom nadmuchowym jest rozprowadzane po domu.

  • Montaż takiego systemu nie jest bardzo drogi, a pozwala skutecznie ogrzać nawet spore powierzchnie. Trzeba jednak pamiętać o tym, że system grzeje tylko wtedy, kiedy w kominku jest ogień. Kiedy drewno zostaje spalone, ciepłe powietrze przestaje krążyć.

  • Taki rodzaj ogrzewania nazywa się skrótowo DGP od słów dystrybucja gorącego powietrza. Chłodne powietrze jest pobierane przez otwór pod obudową wkładu, następnie ogrzewane jest przy gorącym korpusie, skąd unosi się do okapu i wraca do  pomieszczenia lub za pomocą specjalnych przewodów trafia do całego domu.